1HT- Tabletops -Infos
9.999,99 €
Versandfertig in 1 Tag, Lieferzeit 1-2 days
Produktinformationen "1HT- Tabletops -Infos"
[TAB:Artikelbeschreibung]
Die optischen Tische der Firma Standa sind mit einem stabilen Honigwabenkern versehen, der zusammen mit der oberen und unteren Deckplatte in Sandwichverfahren verbunden ist. Dadurch erhält der Tisch eine hohe Steifigkeit und eine sehr geringe Durchbiegung. Dies ist gleichzeitig die Basis für ein gutes Schwingungsverhalten und niedrige Resonanzfrequenz.
Als Option können Durchlässe für Leitungen oder zur Strahlführung eingearbeitet werden ( Laserport ). Die Deckplatte ist aus ferromagnetischem Edelstahl und kann auf Wunsch aber auch nichtmagnetisch geliefert werden. Eine Ebenheit der Oberfläche von +/- 0,1mm/m² bietet die Grundlage für präzise optische Aufbauten. Die Tischplatten sind nach dem Closed Table Top Prinzip aufgebaut.
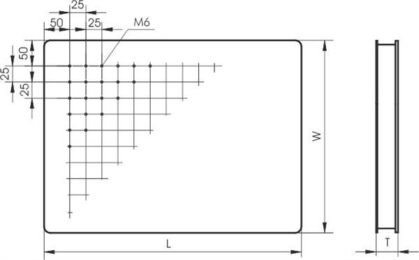
Die M6 Bohrungen im Standardrastermaß von 25 mm sind durch einen Silikonverschluss versiegelt, der nach Bedarf entfernt werden kann. So bleiben nicht genutzte Bohrungen versiegelt und verhindern das eindringen von Kleinteilen und Flüssigkeiten in den Tisch.
Als Zubehör sind erhältlich:
- Tischgestelle
- Regalsysteme
- Schwingungsisolierung
- Montagesäulen
Technische Daten | |
| Deckplatte | |
| Dicke | 5 mm |
| Ebenheit | ±0,1 mm/m2 |
| Lochraster | M6 / 25mm / versiegelt |
| Material | Edelstahl, ferromagnetisch |
| Wabenkern | |
| Material | Stahl 0,25 mm |
| Dichte | 125 - 250 kg/m3 (abhängig von Maschenweite und Struktur) |
| Stabilität | |
| Young Modul | 21x105 kg/cm2 |
| Shear Modul | 8.2x105 kg/cm2 |
| Durchbiegung | 4 µm bei 100 kg zentraler Last |
| Dämpfung | |
Resonanz:frequenz | ca. 200 Hz |
| Abklingzeit (Transient excitation ) | 50 ms |
Verfügbare Größen | ||
| Model | Größe [mm] | Dicke [mm] |
| 1HT06-24-20 | 600 x 2400 | 200 |
| 1HT08-10-20 | 800 x 1000 | 200 |
| 1HT08-12-20 | 800 x 1200 | 200 |
| 1HT08-15-20 | 800 x 1500 | 200 |
| 1HT08-18-20 | 800 x 1800 | 200 |
| 1HT08-18-20 | 800 x 1800 | 200 |
| 1HT08-20-20 | 800 x 2000 | 200 |
| 1HT08-24-20 | 800 x 2400 | 200 |
| 1HT09-10-20 | 900 x 1000 | 200 |
| 1HT09-12-20 | 900 x 1200 | 200 |
| 1HT09-14-20 | 900 x 1400 | 200 |
| 1HT09-15-20 | 900 x 1500 | 200 |
| 1HT09-16-20 | 900 x 1600 | 200 |
| 1HT09-18-20 | 900 x 1800 | 200 |
| 1HT09-18-30 | 900 x 1800 | 300 |
| 1HT09-24-20 | 900 x 2400 | 200 |
| 1HT09-24-30 | 900 x 2400 | 300 |
| 1HT10-10-20 | 1000 x 1000 | 200 |
| 1HT10-12-20 | 1000 x 1200 | 200 |
| 1HT10-15-20 | 1000 x 1500 | 200 |
| 1HT10-15-30 | 1000 x 1500 | 300 |
| 1HT10-18-20 | 1000 x 1800 | 200 |
| 1HT10-18-30 | 1000 x 1800 | 300 |
| 1HT10-20-20 | 1000 x 2000 | 200 |
| 1HT10-20-30 | 1000 x 2000 | 300 |
| 1HT10-24-20 | 1000 x 2400 | 200 |
| 1HT10-24-30 | 1000 x 2400 | 300 |
| 1HT10-30-20 | 1000 x 3000 | 200 |
| 1HT10-30-30 | 1000 x 3000 | 300 |
| 1HT10-35-20 | 1000 x 3500 | 200 |
| 1HT10-35-30 | 1000 x 3500 | 300 |
| 1HT12-12-20 | 1200 x 1200 | 200 |
| 1HT12-12-30 | 1200 x 1200 | 300 |
| 1HT12-12-30 | 1200 x 1200 | 300 |
| 1HT12-15-20 | 1200 x 1500 | 200 |
| 1HT12-15-30 | 1200 x 1500 | 300 |
| 1HT12-18-20 | 1200 x 1800 | 200 |
| 1HT12-18-30 | 1200 x 1800 | 300 |
| 1HT12-24-20 | 1200 x 2400 | 200 |
| 1HT12-24-30 | 1200 x 2400 | 300 |
| 1HT12-24-40 | 1200 x 2400 | 400 |
| 1HT12-30-20 | 1200 x 3000 | 200 |
| 1HT12-30-30 | 1200 x 3000 | 300 |
| 1HT12-30-40 | 1200 x 3000 | 400 |
| 1HT12-35-20 | 1200 x 3500 | 200 |
| 1HT12-35-30 | 1200 x 3500 | 300 |
| 1HT12-35-40 | 1200 x 3500 | 400 |
| 1HT12-40-20 | 1200 x 4000 | 200 |
| 1HT12-40-30 | 1200 x 4000 | 300 |
| 1HT12-40-40 | 1200 x 4000 | 400 |
| 1HT15-15-20 | 1500 x 1500 | 200 |
| 1HT15-15-30 | 1500 x 1500 | 300 |
| 1HT15-15-40 | 1500 x 1500 | 400 |
| 1HT15-18-20 | 1500 x 1800 | 200 |
| 1HT15-18-30 | 1500 x 1800 | 300 |
| 1HT15-18-40 | 1500 x 1800 | 400 |
| 1HT15-20-20 | 1500 x 2000 | 200 |
| 1HT15-20-30 | 1500 x 2000 | 300 |
| 1HT15-20-40 | 1500 x2000 | 400 |
| 1HT15-24-20 | 1500 x 2400 | 200 |
| 1HT15-24-30 | 1500 x 2400 | 300 |
| 1HT15-24-40 | 1500 x 2400 | 400 |
| 1HT15-25-20 | 1500 x 2500 | 200 |
| 1HT15-25-30 | 1500 x 2500 | 300 |
| 1HT15-25-40 | 1500 x 2500 | 400 |
| 1HT15-30-20 | 1500 x 3000 | 200 |
| 1HT15-30-30 | 1500 x 3000 | 300 |
| 1HT15-30-40 | 1500 x 3000 | 400 |
| 1HT15-35-20 | 1500 x 3500 | 200 |
| 1HT15-35-30 | 1500 x 3000 | 300 |
| 1HT15-35-40 | 1500 x 3500 | 400 |
| 1HT15-40-20 | 1500 x 4000 | 200 |
| 1HT15-40-30 | 1500 x 3000 | 300 |
| 1HT15-40-40 | 1500 x 4000 | 400 |
- Weitere Größen auf Anfrage (Größe 1500 x 4000 mm).
- Alle Tischplatten auch mit nichtmagnetischer Edelstahlplatte erhältlich.
- Sonderformate, Kabeldurchführungen, Laserports etc. können individuell umgesetzt werden.
In unserem Produktberater (siehe Tab "Downoads") finden Sie eine Übersicht über unsere Tische und Gestelle. Gerne beraten wir Sie auch persönlich.
Anmelden